收藏麻豆福利视频导航在线留言网站地图深圳市麻豆性生活视频电机有限公司!主营:微型电机,减速电机,空心杯电机,步进电机,麻豆福利视频导航!

高品质微型电机定制生产厂家19年专注于研发生产微型电机

工程师服务直线 0755-27903043
135-1001-1258
深圳麻豆性生活视频电机-您想要的微电机都在这里,可根据需求定制选型
  • SCRF-140

SCRF-140

减速电机是指减速机和电机(马达 )的集成体。这种集成体通常也可称为齿轮马达 或齿轮电机 。这款SCRF-140贵金属电刷马达由麻豆性生活视频电机进行生产,集成组装好后,与电机一体成套供货 。深圳麻豆性生活视频电机从事电机行业多年,生产实力强大,欢迎联系麻豆福利视频导航咨询业务!

全国热线

0755-27903043

产品简介 / Introduction
  • 3

    最快3天出样

  • 18

    微电机行业沉淀

  • 15

    批量出货

  • 400万+

    年产能

产品介绍 product description

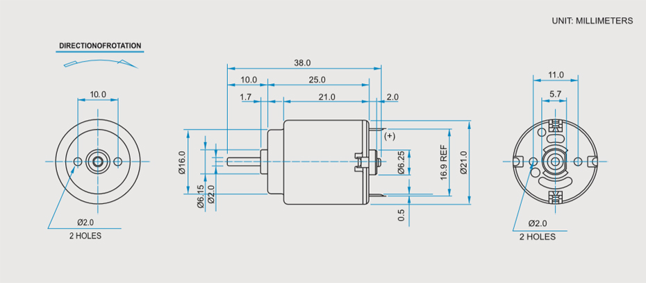
SCRF-140贵金属电刷马达产品介绍

SCRF-140贵金属电刷马达产品介绍

SCRF-140贵金属电刷马达产品介绍

产品应用范围 Product application range

  • 门锁电机

    门锁电机

  • 机器人电机

    机器人电机

  • 智能小家电电机

    智能小家电电机

  • 个人护理电机

    个人护理电机

  • 办公室自动化电机

    办公室自动化电机

  • 汽车电机

    汽车电机

  • IT电机

    IT电机

  • 医疗智能家居电机

    医疗智能家居电机

麻豆性生活视频电机·为品质而生Product advantages

麻豆性生活视频产品品质
  • 寿命可达500-20000次,特殊要求可达30000次

  • 堵转扭力堵转扭力大、波动小,批量偏差10%以内

  • 转速最高可达50000rpm,批量偏差10%以内

  • 电阻/电感电阻电感值小、响应迅速,批量一致性好、偏差范围小

  • 电流空载电流小,耗电小、发热小、效率高

  • 噪音噪音小于35db,噪音一致性好,分贝值低

麻豆性生活视频电机·贴心服务Attentive service

售前

售前 准确选型Accurate selection

麻豆福利视频导航有专门的选型工程师,每年历经数十个行业、上千个项目的选型,为您提供合理的选型方案,降低您的成本,让产品更具优势

测试

测试 快速调整Quick adjustment

通做到当天咨询,当天选型,当天出图纸,当天报价,并提供样品测试中的技术支持,还可根据测试结果调整方案,最快3天提供二次样品。

生产

生产 快速交货Fast delivery

麻豆福利视频导航把定制电机的交付周期缩短至15天,现代化的生产管理确保生产的一致性和效率,严格质量检测体系,保质保量快速供应产品。

麻豆性生活视频电机·公司实力Company strength

公司实力

  • 厂家实力Manufacturer strength 大型生产基地
    19年专注微型电机研发定制生产

    生产规模:占地1400多平方米,生产员工50多名,采用全自动化生产线年产量400多万台,高效生产效率;

    厂家直销:厂家直接发货,没有中间商,节省20%以上采购成本,7~15天生产周期,定制周期可在线咨询;

  • 技术实力Technical strength 丰富行业经验
    选型指导科学,支持定制开发

    技术实力:客户工程师全程提供专属技术支持服务,遵循客户需求,推荐合适选材、制造、测试、包装;

    经验丰富:累积服务百余家大型企业,在家电、机器人、医疗等十余行业经验丰富,选型指导更科学;

  • 交货实力Delivery strength 灵活匹配供货无忧
    最快3天出样15天批量出货

    快速交货:灵活匹配,最快3天出样15天批量出货,按时交货,厂家生产直供,快速高效品质保证;

    及时响应:技术工程师售前、售中、售后全程1对1跟进,24h在线及时响应,1小时内给予解决方案;

  • 麻豆性生活视频电机·您身边的高品质电机供应商contact us

    联系麻豆性生活视频电机

    你想要的微型电机产品麻豆福利视频导航都有,一站式定制

    快速选型快速调整快速交货

    欢迎拨打定制热线,麻豆福利视频导航为您量身选型

    全国服务热线:135-1001-1258 在线咨询

    热品推荐 / Hot product

    Z1625BGB 无刷电机

    Z1625BGB 无刷电机

    无刷直流电机由电动机主体和驱动器组成,是一种典型的机电一体化产品。由于无刷直流电动机是以自控式运行的,所以不会像变频调速下重载启动的同步电机那样在转子上另加启动绕组,也不会在负载突变时产生振荡和失步。无刷直流电动机是采用半导体开关器件来实现电子换向的,即用电子开关器件代替传统的接触式换向器和电刷。它具有可靠性高、无换向火花、机械噪声低等优点,广泛应用于高档录音座、录像机、电子仪器及自动化办公设备中。
    Z1625BGR 无刷电机

    Z1625BGR 无刷电机

    无刷直流电机由电动机主体和驱动器组成,是一种典型的机电一体化产品。由于无刷直流电动机是以自控式运行的,所以不会像变频调速下重载启动的同步电机那样在转子上另加启动绕组,也不会在负载突变时产生振荡和失步。无刷直流电动机是采用半导体开关器件来实现电子换向的,即用电子开关器件代替传统的接触式换向器和电刷。它具有可靠性高、无换向火花、机械噪声低等优点,广泛应用于高档录音座、录像机、电子仪器及自动化办公设备中。
    Z1625GA 无刷电机

    Z1625GA 无刷电机

    无刷直流电机由电动机主体和驱动器组成,是一种典型的机电一体化产品。由于无刷直流电动机是以自控式运行的,所以不会像变频调速下重载启动的同步电机那样在转子上另加启动绕组,也不会在负载突变时产生振荡和失步。无刷直流电动机是采用半导体开关器件来实现电子换向的,即用电子开关器件代替传统的接触式换向器和电刷。它具有可靠性高、无换向火花、机械噪声低等优点,广泛应用于高档录音座、录像机、电子仪器及自动化办公设备中。
    SC-RF540,SC-RF555

    SC-RF540,SC-RF555

    电刷马达是麻豆性生活视频电机的主营产品之一。SCRF-550贵金属电刷马达输出功率约2.0W~65W,应用领域包括:家庭真空吸尘器;无线电动工具:空气压缩机、电钻、电动螺丝刀、花园工具、玩具和模型:无线电控制模型等。
    全国服务热线: 0755-27903043
    网站地图